поиск в избранное   контакты
  BMW РЕМОНТ ОБСЛУЖИВАНИЕ ЭКСПЛУАТАЦИЯ
BMW 3-ая серия E46 (с 1998 года выпуска)

полные технические характеристики. диагностика. электросхемы
 
Главная
 
BMW
3-ая серия E46
1. Инструкция по эксплуатации
2. Текущий уход и обслуживание
3. Двигатель
4. Системы охлаждения, отопления
5. Системы питания, впрыска и выпуска
6. Электрооборудование двигателя
7. РКПП и трансмиссионная линия
8. Автоматическая трансмиссия
9. Сцепление и приводные валы
10. Тормозная система
11. Подвеска и рулевое управление
12. Кузов
13. Бортовое электрооборудование
14. Схемы электрооборудования
14.1. Система заряда
14.2. Система запуска
14.3. Система управления двигателем 2.5 л
14.4. Система управления двигателем 2.8 л
14.5. Модуль бортового процессора
14.6. Цепи бортового процессора
14.7. Данные бортового процессора
14.8. Вентилятор системы охлаждения
14.9. Система антиблокировки тормозов
14.10. Блокировка переключения передач
14.11. Система управления скоростью (темпостат)
14.12. Обогреватели стекол
14.13. Огни заднего хода
14.14. Наружные осветительные приборы
14.15. Головные фары
14.16. Комбинация приборов
14.17. Освещение салона при открывании дверей
14.18. Подсветка приборов
14.19. Единый замок
14.20. Электропривод дверных зеркал
14.21. Клаксон
14.22. Электропривод поясничной секции спинки водительского сиденья
14.23. Электроподогрев сидений
14.24. Электропривод регулировки положения сидений
14.25. Электропривод складного верха / верхнего люка
14.26. Электропривод стеклоподъемников (1 из 2)
14.27. Электропривод стеклоподъемников (2 из 2)
14.28. Система дополнительной безопасности (SRS)
14.29. Сигнальные зуммеры
14.30. Обогрев сопел омывателей стекла
14.31. Очистители / омыватели стекол (Канадские модели)
14.32. Очистители / омыватели стекла (модели для США)
14.33. Парковочная вентиляция
14.34. Системы отопления / кондиционирования воздуха с ручным управлением
14.35. Противоугонная система
14.36. Охранная сигнализация
14.37. Радиоприемник - базовая комплектация
14.38. Радиоприемник - HiFi
14.39. Радиоприемник - Top HiFi
 







//-->
версия для печати

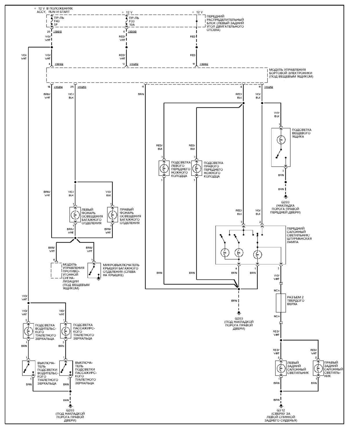
14.17. Освещение салона при открывании дверей

Освещение салона при открывании дверей

 

 


« предыдущая страница
14.16. Комбинация приборов
следующая страница »
14.18. Подсветка приборов


//-->

Copyright © 2007-2009 Все права защищены. Все торговые марки являются собственностью их владельцев.

Hosted by uCoz