поиск в избранное   контакты
  BMW РЕМОНТ ОБСЛУЖИВАНИЕ ЭКСПЛУАТАЦИЯ
BMW 5-ая серия E28 / E34 (с 1981 по 1993 год выпуска)

полные технические характеристики. диагностика. электросхемы
 
Главная
 
BMW
5-ая серия E28 / E34
1. Автомобили марки BMW 5-серии
2. Двигатель
3. Система охлаждения
4. Система питания
5. Система зажигания
5.1. Общие сведения
5.2. Общие сведения о системе зажигания и меры предосторожности
5.3. Проверка функционирования системы зажигания
5.4. Проверка функционирования и регулировка момента зажигания (система TCI)
5.5. Снятие и установка распределителя зажигания
5.6. Проверка и замена катушки зажигания
5.7. Проверка и замена датчика импульсов и блока контроля зажигания (система TCI)
5.8. Проверка и регулировка воздушного зазора (система TCI)
5.9. Проверка и замена датчиков зажигания (система Motronic)
6. Системы управления двигателем и снижения токсичности отработавших газов
7. Система выпуска отработавших газов
8. Сцепление
9. Ручная коробка переключения передач (РКПП) и автоматическая трансмиссия (АТ)
10. Трансмиссионная линия
11. Рулевое управление и подвеска
12. Тормозная система
13. Кузов
14. Контрольные кузовные размеры
15. Отопитель и кондиционер воздуха
16. Система бортового электрооборудования
17. Текущее обслуживание автомобиля
18. Таблица размеров и регулировочных данных
19. Принципиальные электрические схемы
20. Органы управления и приемы эксплуатации
21. Система бортовой диагностики - принцип функционирования и коды неисправностей
 







//-->
версия для печати

5.7. Проверка и замена датчика импульсов и блока контроля зажигания (система TCI)

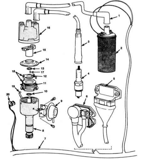
Схематическое изображение компонентов зажигания двигателей с системой TCI

1 — Высоковольтный провод катушки зажигания
2 — Катушка зажигания
3 — Высоковольтный провод свечи зажигания
4 — Свеча зажигания
5 — Блок контроля зажигания (Bosch)
6 — Блок контроля зажигания (Siemens/ Telefunken)
7 — Кабель
8 — Корпус распределителя с центробежным регулятором с грузиками
9 — Вакуумная диафрагма
10 — Стопорное кольцо

11 — Датчик импульсов
12 — Ротор датчика
13 — Стопорное кольцо
14 — Пылезащитный чехол
15 — Бегунок
16 — Распределитель
17 — Цилиндрический штифт
18 — Ротор и выступы датчика импульсов
19 — Зажим крышки
20 — Разъем датчика импульсов

Датчик импульсов (расположен в распределителе зажигания) и катушка зажигания нуждается в проверке, если в свечах зажигания не происходит искрообразования. Убедитесь в исправности проводов свечей зажигания, катушки и свечей зажигания (смотри Разделы Проверка и замена катушки зажигания и Проверка и замена датчиков зажигания (система Motronic)). Существует два типа блоков контроля: Bosch и Siemens/Telefunken. Оба типа можно отличить по электрическим разъемам. В нижней части блока Bosch установлен один большой прямоугольный разъем, в то время как в блоке Siemens/Telefunken применены два круглых электрических разъема в передней его части.

Проверка

Электропитание и заземление блока контроля зажигания

 ПОРЯДОК ВЫПОЛНЕНИЯ

  1. При выключенном зажигании отсоедините от блока контроля зажигания разъемы кабелей. Подключите вольтметр между контактами 2 и 4 разъема системы Bosch или между контактами 6 и 3 системы Siemens/Telefunken.
 
  1. Включите зажигание. На указанных контактах должно появиться напряжение. Если напряжения нет, то проверьте провода на наличие обрывов (смотри Главу Система бортового электрооборудования).
  2. Омметром проверьте наличие соединения между контактом 2 разъема (Bosch) или контактом 6 (Siemens/Telefunken) и корпусом автомобиля. Должно быть короткое замыкание.
  3. Омметром проверьте наличие соединения между контактом 4 разъема (Bosch) или контактом 3 (Siemens/Telefunken) и контактом 15 катушки зажигания. Должно быть короткое замыкание.
  4. Если показания неправильные, отремонтируйте кабель.

Сигнал датчика импульсов

 ПОРЯДОК ВЫПОЛНЕНИЯ

  1. Если в блок контроля зажигания поступает напряжение, проверьте передачу от датчика импульсов переменного напряжения к блоку контроля.
  2. Для следующих тестов используйте цифровой вольтметр:
    • В системах Bosch подключите положительный щуп к контакту 5 разъема, а отрицательный щуп - к контакту 6.
    • В системах Siemens/Telefunken подключите положительный щуп к контакту ( ) малого разъема, а отрицательный щуп - к контакту (-).
  1. Пусть помощник стартером провернет двигатель, при этом проверьте наличие переменного напряжения величиной от 1 до 2 Вольт. Если напряжение отсутствует, проверьте кабель между датчиком импульсов (в распределителе зажигания) и блоком контроля. Если кабель в порядке, проверьте сопротивление датчика импульсов.

Не включайте стартер на продолжительное время. При необходимости, чтобы прекратить подачу топлива в двигатель, отсоедините электрический разъем инжектора холодного запуска.

  1. Для проверки сопротивления датчика импульсов действуйте следующим образом:
    • В блоках Bosch измерьте сопротивление между контактами 5 и 6. Показание должно составлять от 1000 до 1200 Ом.
    • В блоках Siemens измерьте сопротивление между контактами меньшего разъема. Показание должно составлять от 1000 до 1200 Ом.
  2. Если показания неправильные, замените датчик импульсов. Если значения сопротивления для датчика импульсов правильные, а напряжения блоков контроля (напряжение питания и напряжение сигнала неправильные, замените блок контроля.

Замена

Блок контроля зажигания

 ПОРЯДОК ВЫПОЛНЕНИЯ

  1. Убедитесь, что зажигание выключено.
  2. Отсоедините от блока контроля электрический разъем (ы).
  3. Отверните винты крепления блока контроля и извлеките его из двигательного отсека.
  4. Установка обратна снятию.

В блоках контроля Bosch между задней частью блока контроля и тепловым радиатором установлена специальная диэлектрическая паста. В случае их разъединения (замена или проверка) старую пасту следует удалить и тепловой радиатор очистить наждачной бумагой номер 180. Нанесите пасту Curil K2 (Номер Bosch 81229243). Вместо пасты можно использовать силиконовый диэлектрический компаунд. Эта обработка очень важна для обеспечения длительного ресурса этих дорогих компонентов зажигания.

Датчик импульсов

Если радиоприемник на Вашем автомобиле оснащен системой защиты от похищения, перед отключением аккумуляторной батареи убедитесь, что известен правильный код активизации. Перед отсоединением провода обратитесь за информацией в Разделе Система защиты аудиосистемы от воровства и язык приборного щитка.


Если после подключения батареи на дисплее приборной панели появляется сообщение на другом языке, за процедурой установки языка обратитесь к Разделу Система защиты аудиосистемы от воровства и язык приборного щитка.


 ПОРЯДОК ВЫПОЛНЕНИЯ

  1. Отсоедините отрицательный провод аккумуляторной батареи.
  2. Снимите с двигателя распределитель зажигания (смотри Раздел Снятие и установка распределителя зажигания).
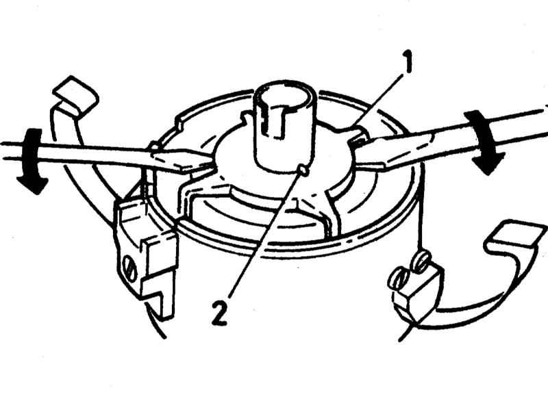
  1. Плоскогубцами для снятия стопорных колец снимите стопорное кольцо, удерживающее ротор датчика.
  1. Двумя плоскими отвертками с противоположных сторон подцепите ротор датчика и осторожно снимите его вверх..

Вставьте отвертки как можно глубже без изгибания ротора датчика. Воздействуйте только на самую прочную центральную часть ротора датчика. В случае изгибания ротор датчика следует заменить.


Убедитесь, что при снятии ротора датчика, не выпал цилиндрический штифт.

  1. Снимите с электрического разъема датчика импульсов крепежные винты, вакуумную диафрагму и основание.
  2. Отверните два винта вакуумного корректора и отделите его от распределителя, сдвинув вниз и отцепив от штифта основания.
  3. Плоскогубцами для стопорных колец снимите стопорное кольцо, удерживающее датчик импульсов и основание.
  4. Осторожно снимите датчик импульсов вместе с основанием.
  5. Отверните три винта и отделите основание от датчика импульсов.
  6. Установка обратна снятию.

Не забудьте установить между катушкой датчика и основанием изолирующее кольцо. Оно должно быть отцентрировано до затягивания винтов крепления. Также будет необходимо проверить/ отрегулировать воздушный зазор, если производилось снятие ротора датчика, или столкнуться с ситуацией неправильного зазора (смотри Раздел Проверка и регулировка воздушного зазора (система TCI)).



« предыдущая страница
5.6. Проверка и замена катушки зажигания
следующая страница »
5.8. Проверка и регулировка воздушного зазора (система TCI)


//-->

Copyright © 2007-2009 Все права защищены. Все торговые марки являются собственностью их владельцев.

Hosted by uCoz