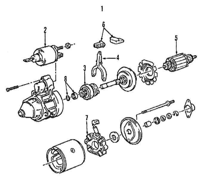
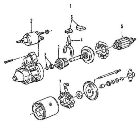
| 1 Отсоедините отрицательный кабель (-) аккумуляторной батареи при выключенном зажигании. Батарея находится в багажном отсеке позади крышки с правой стороны. У автомобилей BMW 316i, 318i батарея располагается в двигательном отсеке.  | В результате отключения аккумуляторной батареи стираются данные из памяти неисправностей некоторых приборов управления. При необходимости перед отключением батареи следует считать данные памяти неисправностей. Обратитесь к Разделу неисправностей Работу желательно проводить в условиях СТО. | 2 Закройте отрицательный полюсбатареи, чтобы исключить возможность случайного контакта. 3 Поднимите и установите автомобиль на подставки. Снимите нижнюю крышку двигательного отсека, обратитесь к Разделу и установка нижней крышки двигательного отсека. 4 Модели 320d: Снимите шумоизоляцию с левой стороны двигателя, под стартером, для чего отверните один болт. 5 Модели 316i, 318i, 320i, 323i, 328i: Для улучшения доступа к генератору отсоедините топливные шланги в районе стартера в местах их муфтовых соединений.  | Соблюдайте приведенные ниже меры безопасности. Разъединение топливных шлангов описывается в Разделе и установка инжекторов. - Вблизи рабочего места не курите, не пользуйтесь открытым огнем и раскаленными или очень горячими предметами. Имеется опасность возникновения пожара! Держите наготове огнетушитель. - Следите обязательно за хорошей вентиляцией рабочего места. Топливные пары ядовиты. - Топливная система находится под давлением. При вскрытии системы может быть выброс топлива. Протрите топливо тряпкой. Носите защитные очки. |  | 6 Отсоедините провода: 1 – клемма 30, толстый провод непосредственно от положительного полюса аккумуляторной батареи 2 – клемма 50, от выключателя зажигания.  | Маркируйте провода, чтобы при сборке присоединить их на прежние места. | | 7 Выверните болты крепления стартера со стороны ручной КПП с помощью соответствующего удлинителя. 8 Выньте стартер назад из фланца КПП и снимите его вниз.  | 9 Проверьте шестерню стартера и зубчатый венец на наличие повреждений. | |