|
|
 |
//-->
версия для печати
11.1.2. Разборка амортизационной стойки / снятие и установка амортизатора / пружиныАмортизационная стойка. Верхнее крепление
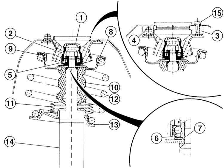
| 1 — крышка
2 — гайка М14, 65 Н•м
3 — переходник
Исполнение только для плохих дорог (Восточная Европа)
4 — гайка М8, 25 Н•м
5 — опора
6 — защитная манжета
7 — шайба
8 — верхняя тарелка пружины |
9 — верхняя опора пружины
10 — пластмассовая пружина
11 — чехол
12 — пружина
13 — нижняя опора пружины
14 — амортизатор
15 — гайка
Исполнение только для плохих дорог (Восточная Европа) |
 |
Пружины на одной оси необходимо заменять только парно и с одним и тем же номером BMW. Номер нанесен на конце пружины.
|
При замене необходимо устанавливать амортизаторы только одного исполнения и одинакового исполнения. Обозначение приведено на наклейке, находящейся на трубе амортизатора. Во второй строке наклейки указан номер запчасти, в третьей строке код исполнения ходовой части: 4Z/6Z-Sport - 4/6-цилиндровый двигатель спортивная ходовая часть. В нижней строке стоит R или L для правого или левого амортизатора соответственно, при взгляде по направлению движения.
|
|
| 1 Снимите амортизационную стойку, обратитесь к Разделу Снятие и установка амортизационной стойки.
|
2 Чтобы снять амортизатор, необходимо сжать пружину. Пружина сжимается с помощью приспособления, например, HAZET 4900. Указанное приспособление необходимо зажать в тисках, как показано на иллюстрации. Для защиты поверхности пружины необходимо применять пластмассовые подкладки HAZET.
 |
Ни в коем случае не снимайте амортизатор, если пружина не сжата.
Вставьте приспособление для сжатия в витки пружины таким образом, чтобы витки были надежно охвачены и приспособление не могло выскользнуть. Приспособление находится под большой нагрузкой, поэтому применять следует только надежный инструмент. Ни в коем случае не сжимайте приспособление проволокой. Имеется опасность несчастного случая!
Приспособление следует сжимать только до тех пор, пока не будет разгружена опора. Ни в коем случае не сжимайте приспособление до упора, то есть витки пружины не должны касаться друг друга.
|
|
|
3 Отверните гайку крепления накидным ключом, удерживая при этом шток от проворачивания торцевым ключом.
 |
Гайка имеет большой момент отворачивания. При необходимости сдвинуть гайку можно ударом молотка по ключу. 1 – динамометрический ключ, 2 – приспособление для сжатия, BMW-31-2-210.
|
|
4 Снимите опору с уплотнительным кольцом и шайбой.
5 Снимите верхнюю тарелку пружины.
6 Выньте амортизатор из пружины.
 |
Если необходимо заменить только пружину, медленно ослабьте пружину. Если необходимо заменить только амортизатор, пружина должна остаться сжатой.
|
7 Снимите пластмассовую пружину, чехол и нижнюю подкладку пружины.
|
|
|
|
| 8 Новая пружина имеет защитное покрытие против коррозии. Перед установкой проверьте защитное покрытие пружин и при необходимости восстановите его.
9 Проверьте наличие повреждений чехла. Пластмассовой пружины и подкладок под пружину. При необходимости замените.
10 Введите амортизатор с нижней подкладкой пружины, пластмассовую пружину и чехол в сжатую пружину.
11 Соберите амортизационную стойку. Следите за тем, чтобы пружина прилегала к выступам нижней и верхней тарелок пружины.
12 Наверните новую самостопорящуюся гайку заподлицо на шток амортизатора.
13 Медленно ослабьте пружину так, чтобы она прилегала к тарелкам. Следите за правильным положением подкладки пружины (прямоугольные пазы).
|
14 Затяните гайку крепления моментом 65 Н•м, удерживая шток от проворачивания. Для соблюдения момента затяжки СТО применяет головку BMW-312210 или HAZET-2927.
|
15 Полностью ослабьте пружину и снимите приспособление.
16 Установите на место амортизационную стойку. |
|
//-->
|
|