//-->
версия для печати
14.39. Работа с электрическими схемами Для возможности определения неисправности или дополнительной установки электрических
приборов необходимо наличие электрических схем. Электрическая цепь должна быть
обязательно замкнута. Недостаточно, например, если к положительной клемме ( )
фары подведено напряжение, а другая клемма (-) не замкнута на массу.
Поэтому кабель массы аккумуляторной батареи (-) соединен с массой. В ряде случаев
такой связи с массой оказывается недостаточно и соответствующий потребитель
имеет непосредственную связь с массой. Изоляция такой связи имеет, как правило,
коричневый цвет. Отдельные электрические цепи могут иметь выключатели, реле,
предохранители, измерительные приборы, электродвигатели и другие электрические
элементы. Чтобы указанные элементы правильно присоединить, присоединительные
кабели имеют различные цвета, а контакты имеют нумерацию.
Для удобства работы с электрооборудованием автомобиля вся система разделена
на отдельные цепи. Электрические элементы, взаимодействующие друг с другом,
показаны на общей схеме.
Как правило, вверху схемы приведены положительные контакты ( ), а внизу контакты
массы (-). Соединения массы осуществляются обычно через кузов или через дополнительный
провод от точки массы, имеющейся на кузове.
 |
Изображение электрических элементов на схеме выполнено не
в масштабе. Например, кабель длиной 1 м на схеме имеет длину лишь в несколько
сантиметров. |
Обозначения важнейших клемм:
Клемма 15. Получает питание от замка зажигания. Питание подается
только при включенном зажигании. Кабели имеют черный цвет или черный с цветными
полосами.
Клемма 30. На эту клемму постоянно подается напряжение аккумуляторной
батареи. Кабели в большинстве случае имеют красный цвет или красный с полосами.
Клемма 31. Ведет к массе. Провода массы имеют, как правило,
коричневый цвет.
На электрических схемах все потребители и выключатели изображены в исходном
положении. Ниже на примере двухступенчатого выключателя объясняется движение
электрического тока при осуществлении переключений в выключателе.
 |
Если на выключателе нажимается первая ступень,
электрический ток течет от клеммы 82 к клемме 83. Переключатель второй
ступени занимает среднее положение, не выполняя соединения. Только при
нажатии второй ступени переключатель соединяет внутренний проводник 82
с проводником 84 и передает электрический ток дальше.
При этом остается замкнутой цепь от клеммы 82 к клемме 83 благодаря внутреннему
ответвлению в выключателе.
|
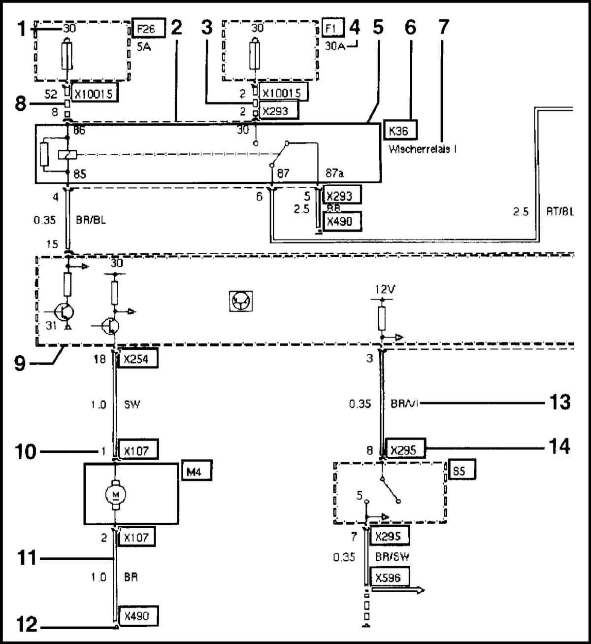
На следующем примере показываются правила чтения электрической схемы.

1) Обозначение клемм, здесь клемма 30.
2) Штриховая линия между выводами 8 и 2 к штекеру X293 указывает на то, что
оба вывода принадлежат штекеру Х293.
3) Штриховая линия от предохранителя F1 к выводу 2 штекера Ч293 показывает положительный
провод от реле К36.
4) Номинальный ток предохранителя, здесь: 30 А.
5) Выключатели и реле показаны всегда в исходном положении. Элемент, изображенный
сплошной линией, означает, что он изображен полностью, здесь К36.
6) Обозначение элемента, здесь К36.
7) Наименование элемента, здесь реле очистителя 1.
8) Штриховая линия от предохранителя F26 к выводу 8 штекера Х293 показывает
положительный провод управления от реле К36.
9) Элемент, изображенный штриховой линией, означает, что он изображен не полностью,
здесь: Базовый модуль А1.
10) Обозначение вывода.
11) Двойная линия от вывода 2 штекера Х107 к точке массы Х490 показывает провод
массы к электродвигателю насоса стеклоомывателя М4.
12) Точка массы Х490.
13) Цвет кабеля, здесь: BR/V1 - коричневый/фиолетовый
14) Обозначение штекера, здесь: Х295.
Обозначения важнейших элементов следующие:
A - держатель предохранителя/прибор управления/модуль
B - датчик температуры
E - лампы
F - предохранитель
H - звуковой сигнал/указатель поворота/стоп-сигнал
K - реле
M - электродвигатель
N - радиоприемник
R - потенциометр
S - выключатель
V - клапан
X - штекер или точка массы
Y - наружное зеркало
//-->
|