//-->
версия для печати
4.1.9. Снятие и установка насоса охлаждающей жидкостиНасос охлаждающей жидкости приводится в движение клиновым ремнем. 320i, 323i, 328i с кондиционером: Спереди на валу насоса охлаждающей жидкости установлен вентилятор.
Модели 316i, 318i, 320i, 323i, 328i
|
|
| 1 Слейте охлаждающая жидкость, обратитесь к Разделу Замена охлаждающей жидкости.
2 Снимите клиновой ремень, обратитесь к Разделу установка и натяжение клинового ремня.
3 Отверните болты крепления шкива. При этом удерживайте шкив от вращения. Снимите шкив со ступицы.
 |
4 Выверните 4 болта крепления насоса охлаждающей жидкости.
|
5 Вверните 2 винта М6 в резьбовое отверстие (стрелки на иллюстрации ) и таким образом равномерно выньте насос охлаждающей жидкости из двигателя. Следите за тем, чтобы насос не перекашивался. |
|
|
|
| 6 Очистите уплотнительные поверхности на двигателе.
7 Выверните съемные болты из насоса.
8 Замените уплотнительное кольцо насоса и смажьте новое кольцо перед установкой средством для скольжения.
9 Вставьте насос с новым уплотнением и равномерно закрепите его. Момент затяжки зависит от диаметра резьбы. Обратитесь к Спецификациям.
10 Закрепите шкив, затянув 4 болта моментом 15 Н•м.
11 Установите клиновой ремень, обратитесь к Разделу Снятие, установка и натяжение клинового ремня.
12 Заполните систему охлаждающей жидкостью, обратитесь к Разделу охлаждающей жидкости.
13 Запустите и прогрейте двигатель. Проверьте герметичность системы охлаждения. |
|
Модели 320d
|
|
| 14 Слейте охлаждающую жидкость, обратитесь к Разделу Замена охлаждающей жидкости.
15 Снимите клиновой ремень, обратитесь к Разделу установка и натяжение клинового ремня.
16 Отверните шланг охлаждающей жидкости сверху насоса у головки цилиндров и держателя.
 |
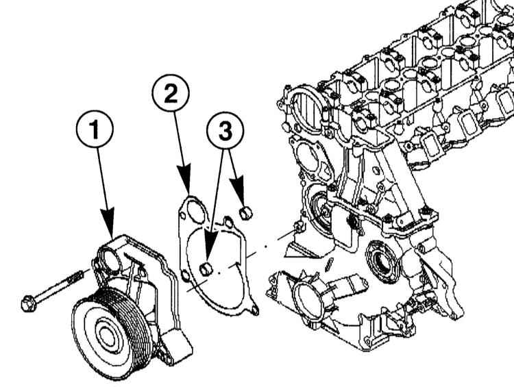
17 Отсоедините насос -1- и снимите вместе с уплотнительной прокладкой -2-. При этом обратите внимание на положение обеих направляющих втулок -3-.
|
|
|
//-->
|